GEPOC – GRUPO DE ELETRÔNICA DE POTÊNCIA E CONTROLE (GEPOC)
Ver no Diretório de Grupos da CNPq Pesquisa Em Atividade
Contato:
+55 (55) 3220 9492 Prédio:7 – CT – 1º piso do Anexo BLinhas de Pesquisa
Em Eletrônica de Potência, destaca-se o estudo e desenvolvimento de novas topologias de conversores estáticos (retificadores, inversores e conversores CC-CC) para aplicações que vão de fontes CA de potência à conexão de fontes renováveis de energia (em especial hídrica, solar fotovoltaica e eólica) à rede elétrica. Além disso, também são desenvolvidas técnicas de projeto buscando a otimização de conversores com respeito a volume, rendimento e/ou custo.
Com relação às pesquisas em Controle de Processos, no GEPOC são desenvolvidas técnicas de controle com foco na aplicação em Eletrônica de Potência, em especial em plantas com variações paramétricas ou modelos parcialmente conhecidos. Dentre as técnicas pesquisadas, destacam-se controle robusto, controle adaptativo, controle por modelo de referência, controle por modos deslizantes, entre outras.
Com relação às pesquisas em Controle de Processos, no GEPOC são desenvolvidas técnicas de controle com foco na aplicação em Eletrônica de Potência, em especial em plantas com variações paramétricas ou modelos parcialmente conhecidos. Dentre as técnicas pesquisadas, destacam-se controle robusto, controle adaptativo, controle por modelo de referência, controle por modos deslizantes, entre outras.
A seguir apresenta-se uma breve descrição das principais pesquisas em curso no GEPOC relativas ao campo de Eletrônica de Potência.
Conversores Multiníveis
Os conversores multiníveis possuem como principais características a síntese de formas de onda com baixo conteúdo harmônico, diminuição ou até mesmo eliminação de filtros passivos, mesmo operando com frequência de comutação reduzida, e operação com interruptores com menores limites de tensão ou corrente. Além disso, algumas topologias apresentam grande redundância e modularidade, que estão relacionadas diretamente com a confiabilidade da operação do conversor em condições de falhas.
Diante disso, estes conversores têm sido utilizados em diversas aplicações, tais como: acionamento de máquinas elétricas, transmissão HVDC (High Voltage Direct Current), compensação estática de reativos, filtros ativos, geração distribuída, entre outras. No GEPOC são pesquisados diversos temas relacionados a conversores multiníveis, tais como:
- Conversores multiníveis com ponto neutro grampeado (NPC – Neutral Point Clamped);
- Conversores multiníveis com células em cascata;
- Conversores multiníveis assimétricos e híbridos;
- Estratégias de modulação aplicadas a conversores multiníveis;
- Fontes CA de potência baseadas em conversores multiníveis;
- Sistemas de geração fotovoltaicos baseados em conversores multiníveis.

Representação de uma topologia genérica multinível.
Conversores Ressonantes (Fontes Miniaturizadas)
A evolução das tecnologias permitiu a redução dos equipamentos portáteis, permitindo a fabricação de computadores portáteis (laptops) cada vez mais leves e finos, assim como telefones celulares cada vez menores e com mais disponibilidade de recursos. Apesar desta redução de tamanho nestes tipos de dispositivos, ainda são necessários carregadores para suas baterias que são incômodos e em consequência definem uma demanda de pesquisa na área de miniaturização deste tipo de fonte de potência.
Conversores ressonantes são utilizados principalmente com o objetivo de reduzir perdas de comutação em fontes chaveadas, permitindo que frequências de comutação mais elevadas sejam utilizadas, permitindo a redução dos componentes magnéticos, sendo estes que normalmente limitam o tamanho das fontes de potência.
Novas tecnologias estão sendo desenvolvidas com o objetivo de reduzir o tamanho das fontes de potências, entre elas a utilização de transformadores de potências baseados em cerâmicas piezelétricas, potencializando a redução de tamanho das fontes através da substituição de tecnologias convencionais pelas tecnologias de conversores ressonantes utilizando transformadores piezelétricos.
A figura abaixo exemplifica uma fonte de 3W miniaturizada, com tensão entrada universal e saída de 6V, baseada na utilização de conversor ressonante utilizando transformador piezelétrico.

Exemplo de uma fonte com entrada universal ressonantes de 3W miniaturizada utilizando transformador piezoelétrico.
Fontes CA de Potência Programáveis
Fontes CA de potência (ACPS – AC power sources) são produtos adequados ao ensaio de equipamentos eletro-eletrônicos, possibilitando a realização de testes de conformidade. As ACPSs devem possuir a capacidade de sintetizar formas de onda de tensão monofásicas e/ou trifásicas, com componentes harmônicas, e, em alguns casos, com desequilíbrios (especificamente em sistemas trifásicos). De um modo geral, a operação de uma ACPS pode ser pré-programada pelo usuário, incluindo variações de amplitude e/ou frequência bem como a inserção de componentes harmônicas.
Entre as diversas aplicações das fontes CA de potência, destaca-se seu uso na indústria e em centros de pesquisa para emular a forma de onda de tensão suprida pela rede elétrica de alimentação, possibilitando a avaliação do desempenho de equipamentos eletro-eletrônicos sob condições anormais de operação. Além disso, ACPSs podem ser utilizadas em aplicações que requeiram formas de onda de tensão de alta fidelidade em uma ampla faixa de frequências e amplitudes, como em ensaios de conformidade de equipamentos para aviação.
No GEPOC são pesquisadas novas topologias (que apresentam alto rendimento aliado à alta fidelidade da forma de onda sintetizada), bem como técnicas de controle aplicadas a ACPSs.

Representação de uma fonte CA de potência alimentando um dispositivo sob teste.
Energia Solar Fotovoltaica
A energia fotovoltaica, que é a conversão direta de energia solar em eletricidade, vem ganhando espaço entre as fontes tradicionais de geração de energia, devido à grande redução de custos ocorrida nos últimos anos.
Um sistema fotovoltaico é normalmente composto de módulos fotovoltaicos (painéis), de um inversor, de equipamentos de montagem e dispositivos de segurança e proteção. Os módulos fotovoltaicos, fabricados com semicondutores, geram tensão contínua nos terminais de saída. O inversor é responsável por converter essa tensão contínua em corrente alternada, capaz de ser fornecida à carga ou à rede elétrica. Para realizar essa conversão, são utilizados semicondutores de potência operando em alta frequência, normalmente controlados através de microprocessadores. O sistema completo necessita se adequar a diversas normas técnicas, para garantir a segurança dos usuários, proteção dos equipamentos e qualidade de energia.
No GEPOC, são estudadas questões de instalação, proteção e segurança de sistemas fotovoltaicos, bem como topologias e técnicas de controle de conversores conectados à rede elétrica ou operando isoladamente.

Representação de um sistema fotovoltaico conectado à rede elétrica.
Conversores Estáticos com Elevado Ganho
Dentre as fontes renováveis, os painéis fotovoltaicos e as células de combustível destacam-se por sua flexibilidade de conexão muito próxima ao ponto de consumo, sendo adequada inclusive para pequenos aproveitamentos. Todavia, a conexão destas fontes em sistemas de distribuição tem como desafio a adequação dos níveis de tensão e corrente produzida por estas fontes e os requeridos pela rede da concessionária de energia elétrica. Para realizar esta conversão de energia de forma eficiente são necessários conversores especiais que realizam um elevado ganho de tensão com reduzidas perdas em condução e chaveamento, possibilitando um maior aproveitamento da energia renovável.
Além destas aplicações, em sistemas com armazenamento de energia tais como Fontes Ininterruptas de Energia (UPS – Uninterruptable Power Supplies) e Smart Grids, a adequação de níveis de tensão bastante distintos também é um fato recorrente. Nestas aplicações, além da dinâmica requerida pela carga, deve-se levar em consideração a manutenção adequada nos processos de recarga das baterias, a fim de se estender a vida útil das mesmas.
No GEPOC são pesquisadas novas técnicas e conceitos na geração e integração de topologias que desempenham o ganho de tensão com excelente eficiência e desempenho dinâmico.

Representação de um conversor CC de alto ganho de tensão.
Comutadores Eletrônicos de Taps de Transformadores
Comutadores de taps (tap changers) são amplamente empregados em transformadores de distribuição, sendo utilizados para alterar a relação de espiras interna dos transformadores, e assim, adequar os níveis de tensão fornecidos aos consumidores finais. Existem diversas variações de comutadores de taps, sendo que os mais empregados atuam por contatos mecânicos com acionamento manual, necessitando de uma equipe especializada no local. Há também comutadores eletromecânicos que atuam automaticamente, porém, apresentam limitações como: formação de arco elétrico no processo de comutação, necessidade de contínua manutenção e processo de comutação lento. Existem ainda variações que se utilizam de chaves estáticas no processo de comutação a fim de minimizar os efeitos do arco-elétrico.
Comutadores eletrônicos de taps são uma solução recente para o processo de regulação de tensão, apresentando como vantagens o controle automático da relação de espiras do transformador, além de não apresentar arco elétrico, e permitir uma atuação dinâmica na regulação da tensão devido a rapidez de atuação dos interruptores envolvidos.
No GEPOC é pesquisada a aplicação de comutadores eletrônicos de taps em transformadores monofásicos de distribuição, visando obter-se um nível de tensão adequado a fornecido aos consumidores finais, conforme estabelece a agência reguladora do setor elétrico.

Representação do comutador eletrônico de taps.
Em Eletrônica de Potência, destaca-se o estudo e desenvolvimento de novas topologias de conversores estáticos (retificadores, inversores e conversores CC-CC) para aplicações que vão de fontes CA de potência à conexão de fontes renováveis de energia (em especial hídrica, solar fotovoltaica e eólica) à rede elétrica. Além disso, também são desenvolvidas técnicas de projeto buscando a otimização de conversores com respeito a volume, rendimento e/ou custo.
Com relação às pesquisas em Controle de Processos, no GEPOC são desenvolvidas técnicas de controle com foco na aplicação em Eletrônica de Potência, em especial em plantas com variações paramétricas ou modelos parcialmente conhecidos. Dentre as técnicas pesquisadas, destacam-se controle robusto, controle adaptativo, controle por modelo de referência, controle por modos deslizantes, entre outras.
A seguir apresenta-se uma breve descrição das principais pesquisas em curso no GEPOC relativas ao campo de Controle de Processos.
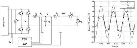
Controle Robusto de Inversores Conectados à Rede
Inversores conectados à rede são muito importantes em sistemas de geração distribuída de energia elétrica. Um dos problemas que se enfrenta nesta aplicação é projetar um controlador que garanta estabilidade e bom desempenho não só para os parâmetros nominais da rede, mas para uma faixa de parâmetros mais larga, representando incertezas. Este problema pode ser resolvido utilizando, por exemplo, controle robusto a incertezas paramétricas. Neste contexto, o projeto dos controladores pode ser feito com eficiência utilizando condições na forma de desigualdades matriciais lineares (do inglês, LMIs – Linear Matrix Inequalities), que têm sido uma ferramenta muito explorada em análise e controle de sistemas nas últimas décadas.
No GEPOC, desenvolvem-se também trabalhos de projeto de controladores robustos aplicados a inversores conectados à rede, utilizando LMIs como ferramenta de projeto. Os controladores são testados em simuladores, que permitem verificar seu desempenho e robustez, e, depois, programados em processadores digitais de sinais (DSPs) e implementados na prática em protótipos nos laboratórios de pesquisa.

Representação de um inversor conectado à rede e de algumas formas de onda do problema.
Reguladores de Tensão para Redes de Distribuição
Essa pesquisa foca no desenvolvimento de reguladores de tensão monofásicos conectado em paralelo (D-STATCOM) com o ponto de acoplamento comum (PAC). O regulador pode ser utilizado como uma solução imediata para manter a tensão nos níveis adequados, evitando que penalidades sejam aplicadas à concessionária e garantindo uma tensão adequada aos consumidores conectados à rede, até que uma solução definitiva seja implementada.
O sistema de controle do regulador de tensão deve garantir que a sua tensão de saída permaneça dentro dos limites adequados, mesmo com grandes variações de carga e da impedância da rede. Assim, um sistema de controle digital é estudado e proposto para o D-STATCOM, regulando a tensão no PAC e a tensão do barramento CC do inversor PWM. Além disso, uma técnica de amortecimento ativo deve ser considerada para amortecer a ressonância característica do circuito LCL formado pelo filtro LC de saída do D-STATCOM e a impedância da rede.

Diagrama do D-STATCOM sob estudo.
Micro Geração Hídrica
No Brasil, a contribuição da energia hidráulica na matriz energética nacional, segundo o Balanço Energético Nacional (2011), é da ordem de 14 %, participando com 74% de toda a energia elétrica gerada no país. Esta ampla participação da energia hidráulica no cenário brasileiro é histórica e se mantém praticamente a mesma há décadas. Estima-se que muito ainda pode ser feito para expandir o parque hidroelétrico, já que menos de 30% é aproveitado. No entanto, grande parte dos 70% restantes está associado a pequenos aproveitamentos hidroelétricos, classificados como micro (<100 kW) e mini centrais hidrelétricas (entre 100 kW e 1 MW). Empreendimentos como estes apresentam elevado custo do kW/h gerado e em muitos casos inviabilizam o empreendimento.
No GEPOC são pesquisadas novas tecnologias de geração e controle a partir do emprego de técnicas menos convencionais com o objetivo de viabilizar economicamente o aproveitamento de pequenas quedas d’água, oferecendo ao mesmo tempo alta qualidade de energia. Atualmente são desenvolvidos trabalhos de pesquisa e desenvolvimento de sistemas com base na aplicação e controle de geradores de indução gaiola de esquilos auto-excitados.

Diagrama de um sistema de micro geração hidroelétrica com gerador de indução.